微型两相步进电机驱动器PMD006
产品详情
产品参数
产品图片
主要特性
接口定义
尺寸
PMD006是一种微型两相步进电机驱动器,可以直接安装在42/57/86电机后端盖上,具有体积小,驱动力强发热量低等特点。PMD006步进电机驱动器可以提供0-6A连续可调峰值电流,最大128细分,空闲电流连续可调。
技术数据通用| PMD006脉冲系列 | |
| 适用上位机: | PLC 单片机 脉冲控制器 |
| 配套电机: | 步进电机 |
| 供电电压: | DC9-48V |
| 供电电流: | 直流0.4-6A |
| 最大细分: | 0/128可调 |
| 耐温: | 零下20℃-80℃ |
| 最高脉冲频率: | 250K |
| 耐久性: | 大于20000小时 |
| 耐温: | 零下20℃-80℃ |
| 耐久性: | 大于20000小时 |
| 接口 | PMD006脉冲系列 |
| J1 | ENA+-:使能信号,光耦输入,导通时不使能 PUL+-:脉冲信号,光耦输入 DIR+-:方向(或脉冲)信号,光耦输入 接口电压:5V |
| J2 | M10,M11:步进电机A相 M20,M21:步进电机B相 |
| J3 | VCC:直流电源正极 GND:直流电源地 |
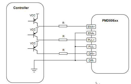
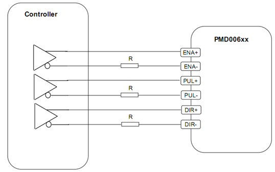
| 接法 | 接线图(控制器输出电压在5V以内时,电阻R可省略) |
| 共阴连接 | 此种接法电流从驱动器的+端口流入,从信号-端口流出,汇入到控制器地 |
| 共阳接法 | 此种接法适合连接控制器集电极开路输出 |
| 差分接法 | 此种接法适合在恶劣环境种的长线连接,可显著提高信号的传输距离和抗干扰能力 |





